Industrier
Drone
• FPV Racing Drones
• Leveringsdroner
• Landbruksdrone
• Brannslokkingsdrone
• Svermdroner
• BVLOS UAV
• LiDAR Survey Drones
• Industriell løftedrone
• Bombe-slippende UAV
Relaterte produkter
×
| Elektrisk spes. | ||||||||||||||||||||||||||||
| Maks. P(W) | Spenning (V) | Maks. I.(A) | KV | Ikke-last strøm (A) | Motstand (mΩ) | polakker | Motor dim.(mm) | Stator dim.(mm) | Montering (mm) | N.W.(g) | Prop. (tommer) | |||||||||||||||||
| 960(7S) | 2S-7S | 40(7S) | 1800 | 1 | 60 | 14 | φ27,5*11,7 | φ22*8 | M3-19*16 | 36 | 5"~6" | |||||||||||||||||
| Thrust Testing Data | ||||||||||||||||||||||||||||
| Propell | kV Verdi | Gass (%) | U(V) | Nåværende (A) | Thrust(g) | Effekt (W) | Effektivitet (g/W) | |||||||||||||||||||||
| 5055 | 1800KV | 50 % | 10.68 | 767 | 256.3 | 2.992 | ||||||||||||||||||||||
| 60 % | 16.3 | 1025 | 391.2 | 2.620 | ||||||||||||||||||||||||
| 70 % | 24 | 22.52 | 1222 | 540.5 | 2.261 | |||||||||||||||||||||||
| 80 % | 30.22 | 1454 | 725.3 | 2.005 | ||||||||||||||||||||||||
| 90 % | 38.13 | 1627 | 915.1 | 1.778 | ||||||||||||||||||||||||
| 100 % | 40 | 1690 | 960.0 | 1.760 | ||||||||||||||||||||||||
| 5045 | 1800KV | 50 % | 8.92 | 670 | 214.1 | 3.130 | ||||||||||||||||||||||
| 60 % | 13.78 | 899 | 330.7 | 2.718 | ||||||||||||||||||||||||
| 70 % | 24 | 18.94 | 1110 | 454.6 | 2.442 | |||||||||||||||||||||||
| 80 % | 25.29 | 1342 | 607.0 | 2.211 | ||||||||||||||||||||||||
| 90 % | 32.86 | 1580 | 788.6 | 2.003 | ||||||||||||||||||||||||
| 100 % | 33.1 | 1580 | 794.4 | 1.989 | ||||||||||||||||||||||||
| 5055 | 1950KV | 50 % | 8.38 | 679 | 201.1 | 3.38 | ||||||||||||||||||||||
| 60 % | 13.31 | 914 | 319.4 | 2.86 | ||||||||||||||||||||||||
| 70 % | 24 | 19.34 | 1169 | 464.2 | 2.52 | |||||||||||||||||||||||
| 80 % | 26.24 | 1384 | 629.8 | 2.20 | ||||||||||||||||||||||||
| 90 % | 33.33 | 1587 | 799.9 | |||||||||||||||||||||||||
| 100 % | 39 | 1745 | 936.0 | 1.86 | ||||||||||||||||||||||||
| 5045 | 2100KV | 50 % | 8.13 | 540 | 170.7 | 3.163 | ||||||||||||||||||||||
| 60 % | 11.93 | 716 | 250.5 | 2.858 | ||||||||||||||||||||||||
| 70 % | 21 | 16.68 | 925 | 350.3 | 2.641 | |||||||||||||||||||||||
| 80 % | 22.08 | 1114 | 463.7 | 2.403 | ||||||||||||||||||||||||
| 90 % | 28.75 | 1335 | 603.8 | 2.211 | ||||||||||||||||||||||||
| 100 % | 36.55 | 1544 | 767.6 | 2.012 | ||||||||||||||||||||||||
| 5055 | 2100KV | 60 % | 21 | 14.13 | 830 | 296.7 | 2.797 | |||||||||||||||||||||
| 70 % | 20.15 | 1063 | 423.2 | 2.512 | ||||||||||||||||||||||||
| 80 % | 27.28 | 1277 | 572.9 | 2229 | ||||||||||||||||||||||||
LN2207 1700KV 1900KV 2400KV børsteløs motor for RC Drone FPV
×
LN2807 6S 1300KV 5S 1500KV 4S 1700KV børsteløs MotorForRC FPV Racing RC Drone Racing
| Elektrisk spes. | ||||||||||||||||||||||||||
| Maks. P (W) | Spenning (V) | Maks. jeg. (A) | KV | Ikke-last strøm (A) | Motstand (mΩ) | polakker | Motor Dim. (mm) | Stator Dim. (mm) | Montering (mm) | N.W. (g) | Prop. (tommer) | |||||||||||||||
| 1400(6S) | 2S~6S | 55(6S) | 1350 | 1.8 | 82 | 14 | φ33*19,6 | φ28*7 | M3-19*19 | 52 | 6"~7" | |||||||||||||||
| Thrust Testing Data | ||||||||||||||||||||||||||
| Propell | KV-verdi | Gasspådrag | Spenning (V) | Gjeldende (A) | Skyvekraft (g) | Hastighet (RPM) | Inngangseffekt (W) | Effektivitet (g/W) | ||||||||||||||||||
| GF7037*3 | 1350 | 10 % | 24.67 | 0.3 | 41 | 3149 | 6.49 | 6.28 | ||||||||||||||||||
| 20 % | 24.67 | 1.1 | 166 | 6076 | 26.40 | 6.30 | ||||||||||||||||||||
| 30 % | 24.65 | 2.74 | 375 | 8822 | 67.57 | 5.55 | ||||||||||||||||||||
| 40 % | 24.64 | 5.23 | 628 | 11254 | 128.97 | 4.87 | ||||||||||||||||||||
| 50 % | 24.61 | 8.18 | 866 | 13189 | 201.29 | 4.30 | ||||||||||||||||||||
| 60 % | 24.57 | 12.66 | 1178 | 15327 | 311.03 | 3.79 | ||||||||||||||||||||
| 70 % | 24.52 | 19.13 | 1570 | 17586 | 468.99 | 3.35 | ||||||||||||||||||||
| 80 % | 24.47 | 26.52 | 1955 | 19595 | 648.99 | 3.01 | ||||||||||||||||||||
| 90 % | 24.40 | 35.37 | 2367 | 21357 | 862.91 | 2.74 | ||||||||||||||||||||
| 100 % | 24.31 | 45.81 | 2722 | 22783 | 1113.52 | 2.44 | ||||||||||||||||||||
| HQ7X37*3 | 1350 | 10 % | 24.67 | 0.3 | 36 | 3171 | 6.24 | 5.80 | ||||||||||||||||||
| 20 % | 24.67 | 1.0 | 153 | 6120 | 25.19 | 6.07 | ||||||||||||||||||||
| 30 % | 24.67 | 2.63 | 352 | 8909 | 64.78 | 5.43 | ||||||||||||||||||||
| 40 % | 24.65 | 5.11 | 607 | 11291 | 126.01 | 4.82 | ||||||||||||||||||||
| 50 % | 24.63 | 8.05 | 846 | 13339 | 198.27 | 4.27 | ||||||||||||||||||||
| 60 % | 24.59 | 12.61 | 1159 | 15420 | 309.96 | 3.74 | ||||||||||||||||||||
| 70 % | 24.53 | 19.10 | 1529 | 17642 | 468.40 | 3.26 | ||||||||||||||||||||
| 80 % | 24.48 | 26.90 | 1915 | 19605 | 658.61 | 2.91 | ||||||||||||||||||||
| 90 % | 24.41 | 35.80 | 2274 | 21297 | 873.78 | 2.60 | ||||||||||||||||||||
| 100 % | 24.32 | 46.19 | 2537 | 22602 | 1123.37 | 2.26 | ||||||||||||||||||||
LN2807 6S 1300KV 5S 1500KV 4S 1700KV børsteløs MotorForRC FPV Racing RC Drone Racing
×
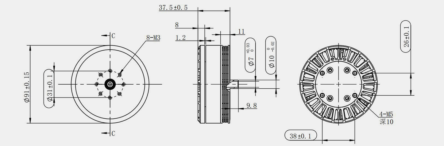
| Elektrisk spes. | ||||||||||
| KV | Batterispes. | Maks. Thrust Force (KG) | Recom.Takeoff Welght (KG) | Systemvekt (KG) | Max. Current (A) | Max.Con.Current (A) | Motor Dim. (mm) | Stator Dim. (mm) | Montering Dim. (mm) | Prop. (tommer) |
| 100 | 12-14 | 15.5 | 5-7 | 0.65 | 65 | 15 | Ö91*37,5 | Ö83*13 | 8-M3*10 | 3011 |
| Thrust Testing Data | ||||||||||||||||||||
| Propell | U(V) | Gass (%) | Thrust(g) | I(A) | P(W) | Effektivitet (g/W) | ||||||||||||||
| 3011 | 46.05 | 40 % | 2530 | 4.6 | 211.6 | 14.7 | ||||||||||||||
| 46.02 | 46 % | 3373 | 6.6 | 303.6 | 12.3 | |||||||||||||||
| 46.03 | 48 % | 3675 | 8.3 | 381.8 | 10.6 | |||||||||||||||
| 46.03 | 56 % | 4845 | 11.0 | 506 | 9.5 | |||||||||||||||
| 46.03 | 60 % | 5610 | 13.6 | 625.6 | 8.7 | |||||||||||||||
| 46.01 | 66 % | 6728 | 16.0 | 736 | 8.0 | |||||||||||||||
| 46.0 | 70 % | 7348 | 20.0 | 920 | 7.4 | |||||||||||||||
| 45.99 | 74 % | 8338 | 24.0 | 1104 | 7.0 | |||||||||||||||
| 46.0 | 78 % | 9100 | 27.2 | 1251.2 | 6.6 | |||||||||||||||
| 46.01 | 80 % | 9613 | 29.6 | 1361.6 | 6.2 | |||||||||||||||
| 45.98 | 90 % | 12100 | 41.3 | 1899.8 | 5.9 | |||||||||||||||
| 45.9 | 95 % | 13350 | 46.6 | 2143.6 | 5.3 | |||||||||||||||
| 45.85 | 100 % | 14499 | 52.3 | 2405.8 | 4.9 | |||||||||||||||
LN8313 Series 12S børsteløs dronemotor (85KV / 95KV / 100KV) – 4 kg skyvekraft
×
LN10018 Series 12S børsteløs dronemotor (90KV / 100KV) – 5 kg skyvekraft høyeffekts UAV-motor
| Elektrisk spes. | ||||||||||||||||||||
| KV | Batterispes. | Maks. Skyvekraft (KG) | Recom.Takeoff (KG) | Systemvekt (KG) | Maks. Gjeldende (A) | Maks. Con. Gjeldende (A) | Motor Dim.
| Stator Dim. (mm) | Montering Dim. (mm) | Prop. (tommer) | ||||||||||
| 85 | 12S-14S | 26.5 | 11-13 | 1.45 | 100 | 15 | φ109*42,5 | φ100*18 | 8-M4*10 | 36" | ||||||||||
| Thrust Testing Data | ||||||||||||||||||||
| Propell | Spenning (V) | Gasspådrag (%) | Thrust(g) | Nåværende (A) | Effekt (W) | Hastighet (RPM) | Effektivitet (g/W) | |||||||||||||
| 36" | 53,6V | 40 % | 5072 | 8.31 | 444.9 | 1815 | 11.19 | |||||||||||||
| 53,6V | 45 % | 6212 | 1.21 | 600.3 | 2014 | 10.16 | ||||||||||||||
| 53,6V | 50 % | 7466 | 4.61 | 782.5 | 2208 | 9.47 | ||||||||||||||
| 53,6V | 52 % | 8017 | 6.21 | 868.3 | 2286 | 9.08 | ||||||||||||||
| 53,6V | 54 % | 8642 | 7.91 | 959.4 | 2367 | 8.89 | ||||||||||||||
| 53,6V | 56 % | 9202 | 9.82 | 1061.2 | 2446 | 8.57 | ||||||||||||||
| 53,6V | 58 % | 9832 | 1.82 | 1168.4 | 2523 | 8.31 | ||||||||||||||
| 53,6V | 60 % | 10451 | 3.92 | 1281.1 | 2604 | 8.01 | ||||||||||||||
| 53,6V | 62 % | 11139 | 6.22 | 1404.3 | 2682 | 7.78 | ||||||||||||||
| 53,6V | 64 % | 11810 | 8.53 | 1527.6 | 2755 | 7.55 | ||||||||||||||
| 53,6V | 66 % | 12516 | 1.13 | 1666.9 | 2837 | 7.37 | ||||||||||||||
| 53,6V | 68 % | 13188 | 3.53 | 1795.6 | 2912 | 7.16 | ||||||||||||||
| 53,2V | 70 % | 13866 | 6.44 | 1951 | 2993 | 6.95 | ||||||||||||||
| 53,1V | 75 % | 15943 | 4.95 | 2406.6 | 3189 | 6.45 | ||||||||||||||
| 53,0V | 80 % | 17968 | 4.48 | 2915.8 | 3384 | 6 | ||||||||||||||
| 53,6V | 90 % | 24287 | 2.6 | 4427.4 | 3780 | 5.23 | ||||||||||||||
| 53,6V | 100 % | 26462 | 100 | 5338.5 | 4047 | 5.05 | ||||||||||||||
LN10018 Series 12S børsteløs dronemotor (90KV / 100KV) – 5 kg skyvekraft høyeffekts UAV-motor
×
LN13720 Series 24S børsteløs dronemotor (34KV / 38KV) – Kraftig tungløftende UAV-motor
LN13720 Series 24S børsteløs dronemotor (34KV / 38KV) – Kraftig tungløftende UAV-motor
